您好,
欢迎访问
港机网
!
帐号管理
收藏夹
退出
消息
0
请登录
免费注册
手机关注
微信号:chinaforklift
关注官方微信
手机扫码看新闻
我的办公室
销售
发布产品
管理产品
求购
发布求购
管理求购
添加收藏
关于我们
广告服务
广告服务
会员升级
帮助中心
常见问题
买家帮助
卖家帮助
问题反馈
网站导航
资讯
产品
公司
品牌
采购
展会
视频
400-019-0081
客服电话
1.买家提交询价单
2.卖家联系您报价
3.交易成功
询价产品
产品图片
产品名称
价格
卖家
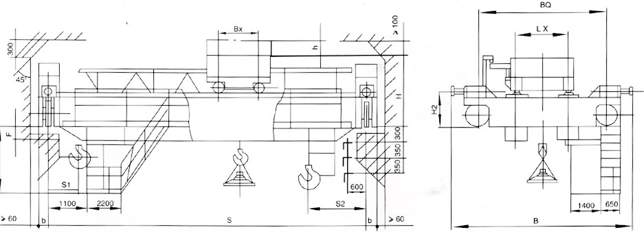
无锡中机:80-20t 电动双梁桥式起重机
面议
无锡市中机机械制造有限公司
*
采购数量:
快速采购请加微信
联系信息
*
您的姓名:
先生
女士
公司名称:
*
手机/固话:
邮箱:
*
所在地区:
地址:
给卖家留言:
*
验证码:
看不清?换一张