产品详情

  • DWJ系列45度弯接头

DWJ系列45度弯接头

  • 温州丽港机电设备有限公司

    普通商家
  • 经营模式:配件制造商 
  • 地区:中国浙江省温州市
  • 地址:中国浙江省温州市乐清市柳市镇

产品详情

产品参数

产品图片

 

产品详情

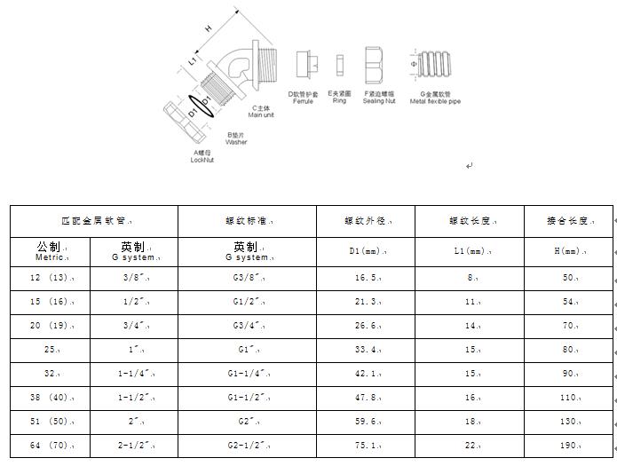
1、接合后和箱体成45度,加厚型锌合金镀锌,外形美观、结构紧密、强度高

2、软管护套与软管相扣接紧设计,装配省时便利,抗拉力强;

3、可防水、防尘、抗盐、耐酸碱、酒精、油、脂及一般溶剂;

 螺纹规格: 英制
工作温度: -40~+100℃,短时可达+120
防护等级: IP65

技术参数

网友评论

取消