【快速维修故障案例及研讨类技术文】DCT80堆高机吊具间歇性无动作
转载 2020-09-11 09:48 卡尔玛 来源: 卡尔玛我们将分享的2020年第十则是卡尔玛DCT80堆高机显示屏无显示、机车无法启动的快速维修案例。
作者:山东庚岳机械设备有限公司 袁军道
故障描述一台运行1.5万小时的卡尔玛空箱堆高机DCT80,打开驾驶室电门钥匙后,驾驶室显示屏无显示、机车无法启动。故障排查驾驶室电门钥匙打开后,驾驶室显示屏KID(D795)无显示,像是KID无电源,初步判断电源线路故障。检查驾驶室保险丝座,发现F58-4第一个保险丝烧毁,如下图:
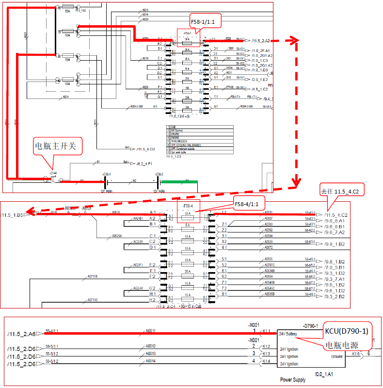
根据电路原理图,查找F58-4/1保险丝线路:
结合上述电路原理图,可知电瓶电源通过主开关S144到F54的50A保险丝座后,到F58-1/1 25A保险丝,再到F58-4/1 10A保险丝,最后送到KCU(D790-1)的电瓶电源端子K1:1。此时KCU的K1:1收到24V电源后,KCU会激活冗余电源线路,由KCU向其它控制单元提供冗余电源:
将驾驶室电气箱内插头X051断开,试车送电,F58-4/1正常,未烧毁,初步判断X051插头输出端电源线路有短路故障。随后进行断电,万用表逐一检查X051插头输出端线路,发现0519A线路接地短路。继续顺着0519A线路走向往下查,发现门架电缆上X209插头的2号针脚还是短路,断开门架电缆另一端X209插头,最终发现短路情况在门架电缆这一段。
最后检查发现门架电缆中间部位有碰伤痕迹。解决方法更换门架电缆,故障解决;案例总结出现驾驶室显示屏无显示,机车无法启动的情况,初步判断是电源故障,建议先检查保险丝是否正常,再根据保险丝连接的线路以及系统控制原理查找可能的故障点,逐一排查。快速维修故障案例及研讨类技术文由卡尔玛亚洲培训中心(KATC)收集整理编写。转发请注明出处。




